In the electrical transmission of chemical enterprises, the application of variable frequency drive for centrifuges is very common. Due to various reasons of the process and driving equipment, the phenomenon of regenerative energy often occurs. In general frequency converters, there are two most commonly used ways to handle regenerative energy: (1) dissipating it into the "braking resistor" artificially set in parallel with the capacitor in the DC flow path, which is called the power braking state; (2) If it is fed back to the power grid, it is called feedback braking state (also known as regenerative braking state). The principle of DC common bus is based on the universal frequency conversion device using AC-DC-AC frequency conversion method. When the motor is in the braking state, its braking energy is fed back to the DC side. In order to better handle the feedback braking energy, people have adopted the method of connecting the DC side of each frequency conversion device. For example, when one frequency converter is in braking mode and another frequency converter is in acceleration mode, the energy can complement each other. This article proposes a scheme of using a universal frequency converter with a common DC bus in centrifuges of chemical enterprises, and elaborates on its further application in the feedback unit of centrifuges.
At present, there are multiple ways to use DC common bus:
(1) A common independent rectifier unit can be non invertible or invertible. The former consumes energy through an external braking resistor, while the latter can fully feedback excess energy from the DC bus directly to the power grid, which has better energy-saving and environmental protection significance. The disadvantage is that the price is higher than the former.
(2) The large frequency conversion unit is connected to the DC bus of the shared large frequency converter in the power grid. The small frequency converter does not need to be connected to the power grid, so there is no need for a rectifier module. The large frequency converter is externally connected to a braking resistor.
(3) Each frequency conversion unit is connected to the power grid. Each frequency conversion unit is equipped with rectifier and inverter circuits and external braking resistors, and the DC busbars are interconnected. This situation is often used when the power of each frequency conversion unit is close. After disassembly, it can still be used independently without affecting each other. The DC common bus introduced in this article is the third method, which has significant advantages compared to the first two methods:
a、 Shared DC bus can greatly reduce the redundant configuration of braking units, with a simple and reasonable structure, and is economically reliable.
b、 The intermediate DC voltage of the shared DC bus is constant, and the combined capacitor has a large energy storage capacity, which can reduce fluctuations in the power grid.
c、 Each motor operates in different states, with complementary energy feedback, optimizing the dynamic characteristics of the system.
The different harmonic interferences generated by various frequency converters in the power grid can cancel each other out, reducing the harmonic distortion rate of the power grid.
2、 Scheme for variable frequency speed regulation system before renovation
2.1 Introduction to Centrifuge Control System
There are a total of 12 centrifuges that have been renovated, and each control system is the same. The frequency converter is Emerson EV2000 series 22kW, constant torque type, and the feedback units are all powered IPC-PF-1S feedback braking units. All control systems are centralized with eight similar units. The system diagram is shown in Figure 1.
2.2 Analysis of Braking Operation during Braking
When the centrifuge brakes, the motor will be in a regenerative braking state, and the mechanical energy stored in the system will be converted into electrical energy by the motor, which will be sent back to the DC circuit of the inverter through the six freewheeling diodes of the inverter. At this time, the inverter is in a rectified state. At this point, if no energy consumption measures are taken in the frequency converter, this energy will cause the voltage of the energy storage capacitor in the intermediate circuit to rise. At this time, the DC bus voltage of the capacitor will rise. When it reaches 680V, the braking unit will start working, that is, feeding back excess electrical energy to the grid side. At this time, the DC bus voltage of a single frequency converter will be maintained below 680V (some 690V), and the frequency converter will not report overvoltage faults. The current curve of the braking unit of the single frequency converter during braking is shown in Figure 2, with a braking time of 3 minutes. The testing instrument is FLUKE 43B single-phase power quality analyzer, and the analysis software is
From this, it can be seen that every time the brake is applied, the braking unit must work, with a maximum current of 27A. The rated current of the braking unit is 45A. Obviously, the braking unit is in a half load state.
3、 Modified frequency conversion speed regulation system scheme
3.1 Disposal methods for common DC bus
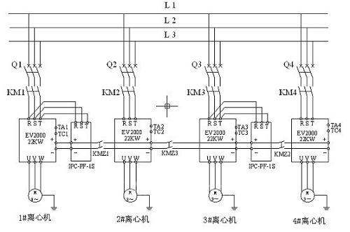
One important aspect of using a shared DC bus is to fully consider the control of the frequency converter, transmission faults, load characteristics, and maintenance of the input main circuit when powering on. The plan includes a 3-phase incoming line (maintaining the same phase), a DC bus, a universal frequency converter group, a common braking unit or energy feedback device, and some ancillary components. For a universal frequency converter, Figure 3 shows one of the widely used solutions. The main circuit system diagram after selecting the third transformation scheme is shown in Figure 3. The air switches Q1 to Q4 in Figure 3 are the incoming line protection devices of each frequency converter, and KM1 to KM4 are the power on contactors of each frequency converter. KMZ1 to KMZ3 are parallel contactors for DC bus. 1 # and 2 # centrifuges share a braking unit and form a group, while 3 # and 4 # centrifuges share a braking unit and form a group. When both groups are functioning properly, they can be connected in parallel. At the same time, it is also based on the working sequence of on-site operators, with 1 # and 2 # centrifuges braking at different times, and 3 # and 4 # centrifuges braking at different times. During normal operation, two centrifuges, 1 # and 3 #, are usually grouped together, while 2 # and 4 # are grouped together. Four centrifuges generally do not brake simultaneously. Due to the complex environment of actual work sites, the power grid often shakes and high-order harmonics occur. It can also be used to increase the impedance of the power supply and assist in absorbing the surge voltage and voltage spikes of the main power supply generated when nearby equipment is put into operation, thereby ultimately maintaining the rectification unit of the frequency converter. Each frequency converter can also use an incoming reactor to effectively prevent these factors from affecting the frequency converter. In the renovation of this project, due to the original equipment not being equipped with incoming line reactors, no incoming line reactors or other harmonic control devices were drawn.
3.2 Control system scheme: The control circuit is shown in Figure 4. After the four frequency converters are powered on and each frequency converter is ready for operation, the output option of the frequency converter fault relay output terminal is set to "frequency converter ready for operation". Only when the frequency converters are powered on and normal, can they be connected in parallel. If any one of them has a fault, the DC bus contactor will not close. The output terminals TA and TC of the frequency converter fault relay are normally open contacts. After power on, the frequency converter is "ready for operation", and the TA and TC of each frequency converter are closed, and the DC bus parallel contactor is closed in sequence. Otherwise, the contactor will disconnect.
3.3 Characteristics of the Plan
(1) Use a complete frequency converter instead of simply adding multiple inverters to the rectifier bridge.
(2) There is no need for separate rectifier bridges, charging units, capacitor banks, and inverters.
(3) Each frequency converter can be separated separately from the DC bus without affecting other systems.
(4) Control the DC common bus connection of the frequency converter through interlocking contactors.
(5) Chain control is used to protect the capacitor units of the frequency converter hanging on the DC bus.
(6) All frequency converters mounted on the busbar must use the same three-phase power supply.
(7) Quickly disconnect the frequency converter from the DC bus after a malfunction to further narrow down the scope of the frequency converter fault.
3.4 Main parameter settings of frequency converter
Run command channel selection F0.03=1, maximum operating frequency set F0.05=50, acceleration time set F0.10=300, deceleration time set F0.11=300, fault relay output selection F7.12=15, AO1 output function F7.26=23.5, modified test data. When stopping, incoming voltage: 3PH 380VAC, bus voltage: 530VDC, DC bus voltage: 650V. When one machine accelerates, the bus voltage decreases, and the other machine decelerates. The DC bus voltage fluctuates between 540-670V, and the braking unit does not turn on at this time. The DC voltage that the braking unit generally works on is 680V, as shown in Figure 5 for testing and analysis.
4、 Energy saving analysis
Compared to resistance energy consumption braking, feedback braking unit is an energy-saving application, but it requires each frequency converter to be equipped with a braking unit when braking is needed. It is inevitable that several frequency converters must be equipped with several braking units, and the price of the braking unit is not much different from that of the frequency converter, but the work continuity rate is not very high. The widespread application of shared DC bus frequency converter drive in centrifuges has effectively solved the problem of "one cannot eat enough and the other cannot vomit" when one frequency converter accelerates and the other brakes. This solution reduces the repetitive setting of the braking unit, lowers the number of working cycles, and also reduces the number of interferences with the power grid, improving the power quality of the power grid. Reducing equipment investment, increasing equipment utilization, and saving equipment and energy are of great significance.








































